加我为朋友
服务热线
0577-82222163
首页
产品中心
应用领域
关于我们
公司简介
资质荣誉
资料下载
新闻中心
联系我们
搜索
首页
产品中心
电缆接地箱
高压电缆分支箱
高压真空断路器
成套系列高低压开关柜
气体绝缘环网柜
箱式变电站
隔离开关
高压传感器带电显示器
欧式可触摸电缆接头
美式可触摸电缆接头
壳体系列
应用领域
电力
工民建领域
轨道交通
新能源
关于我们
公司简介
资质荣誉
资料下载
新闻中心
联系我们
首页
产品中心
电缆接地箱
电缆直接接地箱
电缆保护接地箱
交叉互联接地箱
35kv高压电缆接地箱
35kv高压电缆护层保护接地箱
高压电缆护层交叉互联保护接地箱
高压电缆分支箱
10kv高压电缆分支箱
10kv电缆分支箱
DFW电缆分支箱
美式电缆分支箱
美式电缆分接箱
欧式电缆分支箱
欧式电缆分接箱
35kv高压电缆分支箱
高压真空断路器
ZW10-12G户外高压真空短路器
ZW14-12型户外高压交流真空断路器
ZW8-12户外高压真空断路器
ZW20(A)-12真空断路器
ZW32-12~24KV ZW43-12~24KV 智能小型化系列
ZW8-12C户外柱上真空断路器
ZW7-40.5型系列户外高压真空断路器
ZW32-12型户外高压真空断路器
成套系列高低压开关柜
HXGN15-12箱式固定交流金属封闭开关设备
HXGN17-12箱式固定交流金属封闭开关设备
KYN28A-12铠装移开式交流金属封闭开关设备
HXGN-12 全充气全绝缘充气开关柜
SC6箱式固定交流金属封闭开关设备
ABB环网柜
KYN61-40.5KV铠装移开式交流金属封闭开关设备
XGN2-12KV箱型固定式交流金属封闭式开关设备
气体绝缘环网柜
YGSRM16-12充气式(全封闭)环网柜
SF6充气柜
SMC充气柜
SRM16-12六氟化硫充气柜
全绝缘全封闭充气柜
真空断路器充气柜
箱式变电站
yg-x6
yg-x4
yg-x7
yg-x11
yg-x12
yg-x37
yg-x1
yg-x2
隔离开关
GW13型中性点户外高压隔离开关
GW1型户外隔离开关
GN30型户内隔离开关
GN2-35型户内隔离开关
GW5型户外隔离开关
GW4-12,35型户外隔离开关
GW8型户外隔离开关
GN2-10型户内隔离开关
高压传感器带电显示器
35KV CG5户内高压带电显示装置传感器(宝塔形)
DXN8-Q(T)户内高压带电显示器(带验电)
CG5-10Q/95×130(135.140.145)户内高压带电显示装置传感器
CG5-10Q/100×140户内高压带电显示装置传感器接地开关专用
CG5-10Q/100×140户内高压带电显示装置传感器隔离开关专用
12KV CG5户内高压带电显示装置传感器(宝塔形)
24KV CG5户内高压带电显示装置传感器(宝塔形)
DXN-T 户内高压带电显示器(Ⅰ型) 或 GSN-T
欧式可触摸电缆接头
10KV 对接套管
10KV 伞裙套管
250A 肘型接头
630A 绝缘帽
630A 可触摸后接头
630A 可触摸前接头
10KV 一出三套管
250A 直通接头
美式可触摸电缆接头
200A 四通母排
200A 单通套管
200A 接地电缆头
200A 双通套管
200A 套管井
200A 肘型避雷器
200A 肘型接头
600A T 型接头
壳体系列
框架式动力柜
BDL 梅兰箱(金塑)
XL-21动力配电箱
B05 型配电箱
PZ30(P)系列排骨箱
XL-21框架式动力配电柜
GGD
JXF-08
应用领域
电力
工民建领域
轨道交通
新能源
关于我们
公司简介
资质荣誉
资料下载
新闻中心
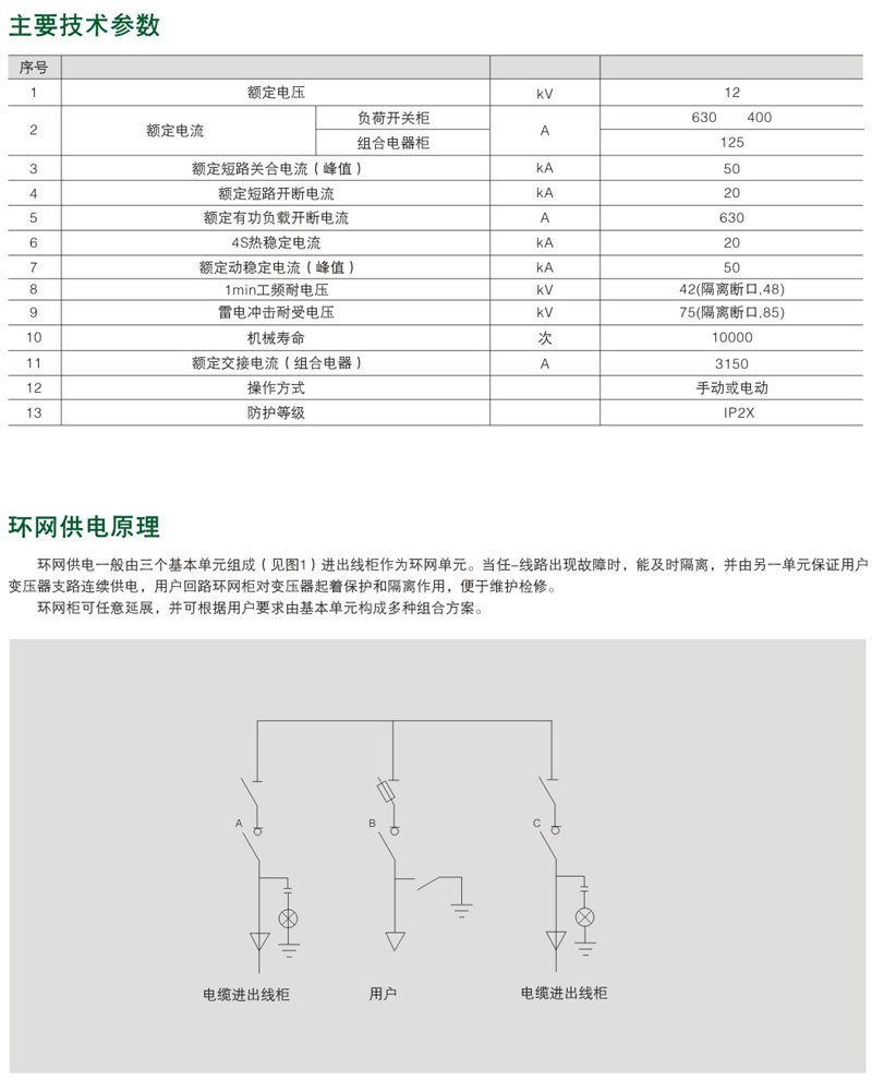
电缆分支箱如何选型,如何选择优质的电缆分支箱
电缆分支箱的种类
高压电缆分支箱安装注意事项
联系我们
发邮件给我们
首页
产品中心
成套系列高低压开关柜
XGN15-12KV箱型固定式交流金属封闭式开关设备
产品选型
电缆接地箱
高压电缆分支箱
高压真空断路器
成套系列高低压开关柜
气体绝缘环网柜
箱式变电站
隔离开关
高压传感器带电显示器
欧式可触摸电缆接头
美式可触摸电缆接头
壳体系列
产品选型
电缆接地箱
高压电缆分支箱
高压真空断路器
成套系列高低压开关柜
气体绝缘环网柜
箱式变电站
隔离开关
高压传感器带电显示器
欧式可触摸电缆接头
美式可触摸电缆接头
壳体系列
新闻中心
2016-04-13
电缆分支箱如何选型,如何选择优质的电缆分支箱
2016-04-09
电缆分支箱的种类
2015-11-10
高压电缆分支箱安装注意事项
XGN15-12KV箱型固定式交流金属封闭式开关设备
详细信息
返回
上一篇:
XGN2-12KV箱型固定式交流金属封闭式开关设备
下一篇:
XGN66-12KV箱型固定式交流金属封闭式开关设备
返回>>
打造智慧工厂 助力中国制造
不忘初心,大力发展更环保,更智慧的产品
联系我们
新闻中心
2016-04-13
电缆分支箱如何选型,如何选择优质的电缆分支箱
随着房地产大力发展,国家电网的该造,电缆分支箱的用量越来越大,电缆分支箱厂家也越来越多,从优高电器工程师了解到,电缆分支箱从原…
2016-04-09
电缆分支箱的种类
电缆分支箱顾名思义就是电缆分支,有些地方称作电缆分接箱,通过对电缆分接,或者对接从一路到多路,而真正的电缆分支箱是不带开关…
0577-82222163
您的浏览器不支持VBScript!